Dray-MX50 System

Dray-MX50

5kW Advanced Mobile X-Ray System

The Dray-MX50 (SMX-50A) is a premium mobile X-ray system designed for optimal workflow. Featuring a Motorized Collimator, dual touch screens (15.6" & 7"), and a long-lasting battery, it delivers powerful 5kW imaging performance directly to the patient's bedside.

  • Smart Mobility: Motorized Collimator & Ultrasound SID Sensor
  • Dual Display: 15.6" FHD Touch Monitor + 7" Rear Screen
  • High Power: 5kW Output (150kHz Inverter)
  • Long Battery: Up to 12 Hours Operation Time
Inquiry Now

System Specifications

Output Power 5 kW (Large Focus) / 1 kW (Small Focus)
X-ray Tube Canon DF-183R (Focal Spot 0.5/1.8mm)
kV / mAs Range 40~120kV / 0.32~200mAs
Collimator Motorized / 4.3" Touch Screen / Ultrasound SID Sensor
Display System 15.6" FHD Touch Display (Main) + 7" Touch Screen (Rear)
Battery 12V/2Ah*26ea (Available time: 12 hours)
Input Power 100-240V~ (50/60) Hz
Weight 208 kg

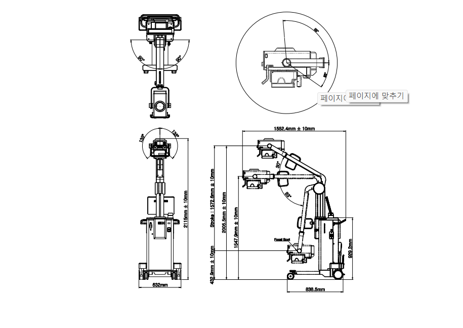
Dimensions

Dray-MX50 Dimensions

* Unit: mm / Mobile Cart Design

© 2025 DRX Imaging. All Rights Reserved.

P 82-2-6730-5535 | F 82-50-4341-6633 | M 82-10-5335-6633 | E sales@drximaging.com